exPloZive
26.2.2013, 15:06
STARGAZER, перепиши с подкапотной таблички модель на будущее. каталоги то есть по таким авто...
Акебоно, фирма, что колодки делает, ну ты не вдавайся в подробности ))) колодки бы через табличку проверить.... а то даже в те лохматые года 2 вида было колодок...
STARGAZER
26.2.2013, 15:13
exPloZive, в каталоге моя модель есть. Но он не открывается. 61-е кузова не открываются вообще, никакие модели, там их около 15-ти, щёлкал по всем. Не открываются. 71-е и выше пожалуйста.
С таблички E-GX61 YTPGE. Ввожу в окно эти данные, ответ Укажите модель, если модель неизвестна выберите из списка. И так 20 раз подряд.
exPloZive
26.2.2013, 15:20
STARGAZER,
Цитата
С таблички E-GX61 YTPGE.
в моём открывается... так что Вэлкам, подсоблю чем смогу, ну теперь ещё № кузова ))) , а то 2 варианта так и осталось....
И это... поздравляю с ПРИОБРЕТЕНИЕМ!!!

. Прям на 23 февраля подарок тебе
STARGAZER
26.2.2013, 15:30
Цитата(exPloZive @ 26.2.2013, 15:20)

STARGAZER, в моём открывается... так что Вэлкам, подсоблю чем смогу, ну теперь ещё № кузова ))) , а то 2 варианта так и осталось....
И это... поздравляю с ПРИОБРЕТЕНИЕМ!!!

. Прям на 23 февраля подарок тебе

Я в ДРОМ-овском пытался открыть-------ЙУХ. Кузов GX61-237412.
Да! Подарок хороший, но мне ещё один прилетел в виде сломаной руки. Так что Крестой в пол силы занимаюсь
exPloZive
26.2.2013, 15:34
STARGAZER, хм... в номере 1-й цифры не хватает... должно быть 7-мь цифров.... хотя такие кроуны встречались... с 6-ю знаками... предположительно с переди 0 отсутствует .... по твоей получается gx61-YTPGE-0237412, получаем 1984 год, 6-й месяц
STARGAZER
26.2.2013, 15:42
Ашыпки быть не может.
Нажмите для просмотра прикрепленного файлаЦитата(exPloZive @ 26.2.2013, 15:34)

, получаем 1984 год, 6-й месяц
Похоже на правду. Они по 07.1984 выпускались.
exPloZive
26.2.2013, 15:43
STARGAZER, я ж тебе говорю, что и кроуны есть аналогичные (Безошибочные) а тем не менее 1 циферки нету....это глюк заводской...
Колодки если Asuki ,то нада AF2024.....
хм.... путаница с AF2024/// читай ниже...
STARGAZER
26.2.2013, 16:00
Цитата(exPloZive @ 26.2.2013, 15:43)

Колодки если Asuki ,то нада AF2024
Наличие? Цена?
exPloZive
26.2.2013, 16:09
STARGAZER, стоп... значит в электронных какталогах путаница....
AF2024 = A353 - ЭТО НЕ НАШ ВАРИАНТЕЦ!
а у тебя получается AF1074= A31
Это разные колодки.... картинки нет времени выкладывать.... сфотай свою если возможно...
STARGAZER
26.2.2013, 16:16
Сфотать не трудно. Разобрать одной рукой, вот это проблема.
exPloZive
26.2.2013, 16:16
Торонага
26.2.2013, 16:31
STARGAZER, ты где, в своем гараже стоишь?
STARGAZER
26.2.2013, 16:33
Торонага, да я дома ещё. Просто хотел купить всё сегодня и начать ковыряться потихой вечером. Я за три дня сигналку поставил одной рукой. Хочу также неспешно ходовку подлечить.
Торонага
26.2.2013, 16:41
STARGAZER, а, я думал может подъехать помочь
STARGAZER
26.2.2013, 16:48
Торонага, А ты до которого часа смог бы подъехать?
Торонага
26.2.2013, 17:14
STARGAZER, к семи подъеду в гараж.
exPloZive
26.2.2013, 17:24
STARGAZER, на 61-й у нас нету в наличии...
Торонага
26.2.2013, 18:20
exPloZive, Петя, экзист говорит, что на этот кузов (GX61-YTPGE) 04466-30070 оригиналы, замены Asuki AF-2024 и Nisshinbo PF-1074
может так быстрее найти?
exPloZive
26.2.2013, 21:09
Торонага,
Цитата
замены Asuki AF-2024 и Nisshinbo PF-1074
AF2024 НЕ ОДИНАКОВЫЕ С PF-1074.
Торонага
26.2.2013, 22:31
exPloZive, не понадобятся пока накладки. Живее всех живых, по крайней мере на правом заднем.
а чё они стОят под заказ если тащить? оригиналы.
серега19
26.2.2013, 22:39
Здравствуйте!!!скажите пожалуйсто есть стойки ( задние) на корону( бочку) st190 наличие, цена??? Спасибо заранее.
Торонага
26.2.2013, 22:56
серега19, неделю у них назад брали на "Бочку" в 190-м кузове.
задние Каябы по 3400 руб за штуку (20мм шток), 3500 руб за штуку (22 мм шток).
machucha
27.2.2013, 15:21
exPloZive, есть ли такой датчик 9 461 620 177 или 9 461 620 178 ?
exPloZive
27.2.2013, 15:49
machucha, что за датчики такие? в наличии нет
machucha
27.2.2013, 15:54
exPloZive, датчик положения дроссельной заслонки или TPS для террано TD27T восьмиконтактный который.
exPloZive
27.2.2013, 16:01
machucha, а, всё, догнал... есть и тот и тот Zexсel 7500р
STARGAZER
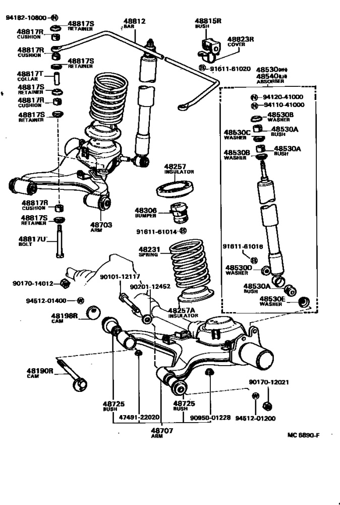
28.2.2013, 1:43
exPloZive, посмотри сайленты на рычаг подвески.
Фото прилагаю.
Нажмите для просмотра прикрепленного файла
STARGAZER, ты еще не собрал зад? завтра можно было б пружины примерить.
STARGAZER
28.2.2013, 2:09
Торонага, а зачем их мерить, они пока устраивают. Вчера собрали мы зад. Даже прокатились по ночи. Стук не пропал, при торможении ощущается вибрация (без отдачи по педали) и металлический стук. Грешим на сайленты, больше нечему греметь, там просто больше ничего нет кроме них. Тросик ручника Ярослав снял, он закис и поэтому колодки уводило. Колодки ручника мы тоже сбросили и катались без них. Так что греметь могут только сайленты. Если бы стучал амортизатор, то стук был бы слышен постоянно при езде по кочкам, а тут только при торможении т.е. когда усиливается нагрузка на подвеску. И стук металлический, будто болты в сайлентах болтает.
Да, чуть не забыл. Шаровую справа поменяли стук прпоал. Теперь левая просится, прям кричит чтобы поменяли, но это уже на выходных.
STARGAZER, просто пока есть возможность примерить на будущее, надо примерить

лежит пара пружин, на мимолетный взгляд размеры подходят.
шаровая просто прессуется или там есть фиксатор aka стопорное кольцо?
STARGAZER
28.2.2013, 2:43
Стопорное кольцо есть. Мы на выходных полезем в неё, я чиркану тебе как соберёмся.
STARGAZER, не должно было убить сайленты, они в этих местах вечные практически.... если только там один из них не плавающий.
вижу по схеме эксцентриковый болт типа развального.... наводит на мысли, если плавающий или шароблок, то должен был сдохнуть за все время жизни.
exPloZive
28.2.2013, 8:58
Цитата
STARGAZER, не должно было убить сайленты, они в этих местах вечные практически....
согласен, даже в продаже никогда небыло таких сайлентов, но ничто не вечно под луной )) - надо проверять их....
Цитата
если только там один из них не плавающий
нет там никаких плавающих.
Торонага,
exPloZive, при торможении правое заднее колесо целиком начинает бить в продольном направлении. Проще говоря - болтается оно. А в разгоне и движении накатом всё нормально, ничего не бьёт. По моим представлениям вариант один: рычаг ходить начинает, причём скорее всего во внутренней опоре. Но мы ещё не залезали в яму с ломиком проверить эти дела.
С левым колесом при торможении всё нормально.
П.С. Чё-то я сейчас думаю, что
Торонага верную мысль высказал про болт... по ходу он тупо не затянут и всё
Торонага
28.2.2013, 14:49
exPloZive, мне тож не бросилось в глаза, просто решил уточнить.
Гидр, они еще имеют свойство изнашиваться, эти эксцентрики и резьба срывается, и выработка появляется. вон Петя не даст соврать, одно время у мраководов бытовало поверье, что если меняешь наш знаменитый плавающий сайлент, то сразу и эксцентрик нужно заменять.
Торонага
28.2.2013, 15:06
exPloZive, а давай посмотрим что есть из фильтров ионизатора в Бульдога - 88926-32030?
и на Принцессу сейчас подберу партнамберы набора фильтров: надо фильтры в воздухан, в ионизатор и в салон.
exPloZive
28.2.2013, 15:19
Торонага,привет, на принцессу только если в воздухан есть... ионизатор и салон нету..
В прогрес тож нет в ионизатор...
exPloZive, у меня как обычно вопрос на засыпку. Нужен патрубок, который идёт от щитка выхлопного коллектора до воздухана. Он служит для забора тёплого воздуха, а сделан из какого-то хитрого жароупорного материала, слегка гофрушкой. ВАЗовский - большой по диаметру и короткий. Нужен диметром где-то 35 мм, а длина... 500-600 мм, не знаю даже. Что-то есть похожее?
Нажмите для просмотра прикрепленного файла
exPloZive
28.2.2013, 15:33
Гидр, привет, только что-то такого плана, но это немного не с той оперы
Нажмите для просмотра прикрепленного файла и то заказывать нада
Задние ступицы на филдер 02гв 4WD, наличие и цена?
rusinchic
28.2.2013, 21:00
exPloZive, здравствуйте.интересует:прокладка поддона двигателя В20В,аморы и пружины задние на стэпвагон 2000г. RF-2.
Здравствуйте,есть в наличии сальник коленвала,сальник маслянного насоса,сальник уравновешивающего вала на 4G64 Митсубиси Шариот,кузов N94W.
Shiko,
Нажмите для просмотра прикрепленного файла[/quote]
Можешь просто сказать, а не заставлять меня какчать через интернет весь денсосвечной талмуд?
Цитата(exPloZive @ 21.2.2013, 14:40)

Цитата(Shiko @ 21.2.2013, 14:26)

и ещё попутный вопрос: чем "законтрить" гайки на линках стаба (внутри полимерный уплотнитель-антиотвертыватель)
Shiko,
Здесь не понял сути проблемы
Да всё просто - гайки на линках стаба откручиваются постепенно. Я уже и момент затяжки сделал в два раза больше, чем в мануале ..., а они всё равно потихоньку откручиваются
exPloZive, а такой воздуховод внутренним диаметром 35 мм (я померял) - можем притащить? Ну пару-тройку метров.
exPloZive
1.3.2013, 12:04
Artem, 7500р/шт есть
rusinchic, здравствуйте, прокладка ориг 1450р, неориг 600р , пружины спрашивайте в Автокландайке, амортизаторы 2650 р/шт
flip, здравствуйте , 580 + 650 + 400 р, всё ориг и есть в наличии
exPloZive
1.3.2013, 12:50
Shiko,
Цитата
а не заставлять меня какчать через интернет весь денсосвечной талмуд?
думал что ты с локалки сидишь... ну да ладно... просто там много полезной инфы...
Нажмите для просмотра прикрепленного файлатак пойдёт?
Цитата
Да всё просто - гайки на линках стаба откручиваются постепенно. Я уже и момент затяжки сделал в два раза больше, чем в мануале ..., а они всё равно потихоньку откручиваются
фиксатор резьбы только если? Разъёмный...
Гидр, не вопрос... кусок 1,3 метра ( инфа с каталога)... 1 кусок 350р обойдётся, скока брать? 2 штуки хватит?
exPloZive, Спасибо ... пойдёт конечно.
Я до сих пор не могу понять почему на EJ 202 (с 2002 года) идут 16 денсо-свечи, а на EJ 201 (1998 - 2001 год) идут 20 ... И ещё странно, что на 16 свечах мой EJ 202 лучше тянет на низких оборотах, чем на 20 ...
А фиксатор резьбы не помогает, т.к. внутри гаек не металл, а фторопластовая вставка ...
Я вот думал может быть есть гайки для этих линков с прорезями под шплинт, на подобие тех, что стоят на шаровых опорах, рулевых наконечниках и т.п. ...
Цитата(exPloZive @ 1.3.2013, 12:50)

Гидр, не вопрос... кусок 1,3 метра ( инфа с каталога)... 1 кусок 350р обойдётся, скока брать? 2 штуки хватит?
Давай 1 кусок пока что, посмотрим сперва на него. Просигналишь как придёт?
Цитата(Shiko @ 1.3.2013, 12:58)

А фиксатор резьбы не помогает, т.к. внутри гаек не металл, а фторопластовая вставка ...
Я вот думал может быть есть гайки для этих линков с прорезями под шплинт, на подобие тех, что стоят на шаровых опорах, рулевых наконечниках и т.п.
Как это не помогает?! Вставка там в виде колечка сверху гайки. Хрен с ней с этой вставкой, мажем фиксатором резьбу на самом пальце линка, и заворачиваем. Имхо можно даже и нераъёмный герметик, только его потом надо будет горелкой подогреть, зато надёжнее. Можно конечно палец просверлить и заморочиться шплинтом, а прорези в гайке сделать болгаркой самому. Просто палец-то скорее всего калёный, его замучаешься сверлить.
Гидр, хорошо ... попробую на фиксатор. Просто в прошлый раз я и ВД-шкой проливал и горелкой после грел ... Один фиг болгариным спиливать пришлось.

Просто не хотел повторять опять этот опыт.
Shiko, то откручивается, то не откручивается. Тебе не угодишь.
Для просмотра полной версии этой страницы, пожалуйста,
пройдите по ссылке.