ДД. замена акпп на honda inspire ua5 сколько будет стоить? масло мое. есть ли у Вас фильтр чтоб поставить внутрь коробки перед установкой? модель акпп B7VA, без фильтра снаружи.
с заменой заднего коренного на двс и сальниками оси и первичного вала кпп, сальники свои будут
Приветствую.Снять/поставить 16 т.р. Замена сальников 2 тр.,замена фильтра 8 т.р. У нас фильтра нет,также нужны прокладки под корпус,старые 100% порвутся при вскрытии.
Здравствуйте. Скажите пожалуйста сколько будет стоить замена масла в коробке? Фит 2009г
Цитата(Юлия @ 10.4.2017, 15:24)

Здравствуйте. Скажите пожалуйста сколько будет стоить замена масла в коробке? Фит 2009г
Коробка автомат, не вариатор, фит V1.3
machucha
10.4.2017, 16:11
Юлия, Здравствуйте.По работе 2000 руб.+ жидкость,примерно,на 7000 руб.
Добрый день.
Настораживает работа вариатора Honda HR-V.
Возможна ли диагностика у Вас и возможен ли ремонт?
Слышал мнение, что запчасти на вариатор (в первую очередь имеется ввиду ремень) не поставляются и возможно только замена на контрактный (то ли вариатор, то ли в сборе с двигателем).
machucha
24.4.2017, 13:57
Здравствуйте.Что именно настораживает в работе коробки?На эти коробки есть все зап.части,просто ремонт получится гораздо дороже контрактной кпп.
При сбросе газа и движении накатом в первое время ощущается как-будто кто-то придерживает или как-будто чуть подклинивают тормоза, но стоит чуть-чуть газануть - катится нормально. И при остановке на D на перекрёстке снижаются обороты, ощущение как двигатель под нагрузкой работает. Ну и при трогании, особенно задним ходом, сложно плавно тронуться - в первый момент получается рывок. Начал обращать на эти симптомы месяца полтора назад.
На ходу никаких замечаний, всё нормально.
Двигатель с VTEC. Масло фирменное хондовское для вариаторов, менял в августе прошлого года.
Возможно завтра на диагностику подъехать?
machucha
24.4.2017, 18:22
Подъезжайте,предварительно позвоните.
Добрый день! Есть у вас в наличии Castrol Magnatec 5w-30 с допуском Ford WSS-M2C930-A?
Если есть, сколько будет стоить замена для Ford Explolrer 4.6L? Объем масла около 6 литров. Учитывая наличие защиты двс.
И ближайшее время для замены?
Да, и еще конечно же фильтр нужен. FL-820S
machucha
25.4.2017, 17:03
здравствуйте.Ни масла,ни фильтра у нас нет.Стоимость замены 1000руб. Можно сделать завтра с 10 часов.
Здравствуйте
у меня не правильное переключение на селекторе
при включении рычага в положение "D" надо его перевести до "2", но и тут загорается "3". Приходится туда сюда переключать
можете починить?
Автомобиль Crown175й
machucha
15.5.2017, 10:49
Здравствуйте. Теоретически,нужно сделать регулировку.Ну а почему это произошло,только уже смотреть надо.Можно сегодня в районе 13-14 часов подъехать.
STARGAZER
13.6.2017, 14:25
Цитата(selp @ 24.4.2017, 14:44)

При сбросе газа и движении накатом в первое время ощущается как-будто кто-то придерживает или как-будто чуть подклинивают тормоза, но стоит чуть-чуть газануть - катится нормально.
Всегда считал, что такое поведение вариатора есть его нормальное состояние.
machucha
13.6.2017, 17:16
STARGAZER, для хонда-да,тойота-нет
STARGAZER
13.7.2017, 8:39
Доброе утро.
Фильтр акпп Honda Vigor #25420PW4010 есть в наличии?
machucha
13.7.2017, 16:46
Приветствую.Только под заказ.
Сколько стоит поменять масло в коробке кроун 175 3 литра задний привод,
ivan_mag
22.7.2017, 15:02
День добрый. Есть ли в наличии и сколько стоят фильтра в вариатор на Honda HR-V.
Добрый день. Нету случайно щупа раздатки sv43? Или если надр могу образец привезти.
Сколько будет стоить замена фрикционов на АКПП V4A51 без снятия и установки на авто? Мастер кит есть.
machucha
28.8.2017, 16:13
35 т.руб.
Здравствуйте. Террано21. 1994 г. Круглая торпеда. С понижением температуры глюк. При заводке на холодную лампа акпп мигает 16 раз и спидометр показывает движение несколько секунд. И нет 1 передачи, а может и второй. После перезапуска это проходит. Масло менял у вас года два назад.
machucha
2.10.2017, 11:07
Нерус, Здравствуйте.Можно подъехать к нам,чтобы посмотреть,что за ошибка и потом решать,что делать дальше.
Добрый день.
При полной замене АТФ в АКПП, фильтр сетка постоянно моется. Имеет смысл в будущем данный фильтр сменить? Или все таки достаточно того, что его каждый раз моете.
machucha
3.10.2017, 11:14
JUDGE, Здравствуйте.Смысл есть.
machucha, Сколько будет стоить замена жидкости в АКПП Крузак 100 2004 года масло WS? Стоимость жидкости и замены фильтра и прокладки. (Фильтр и прокладка свои)
machucha
3.10.2017, 15:00
по работе 5 т.р.,жидкости,примерно,на 13 т.р.,если несильно грязная.
Здравствуйте.
Сколько будет стоить замена жидкости в АКПП Сузуки Эскудо 1998 года? Стоимость жидкости и замены фильтра и прокладки.
Фильтр и прокладка имеются
machucha
11.10.2017, 10:16
Здравствуйте.По работе 4500 руб.,жидкости,примерно,на 5500 р.
Добрый день. Подсксжите по такому вопросу. Авто гранд витара xl7, акпп пятиступенчатая.
После разгона, если отпустить газ, обычно машины катятся хорошо, обороты холостые, а тут как будто торможение двигателем, обороты сами растут... это проблемы с акпп или нормальное явление?..
machucha
11.10.2017, 19:22
Здравствуйте.Надо прокатиться на ней.На "D" не должно быть эффекта торможения двигателем.
толик 49
12.10.2017, 13:03
Здравствуйте
Машина Мазда Бонго Френди
Перестал блокироваться ГТ
Пробовал сам считать коды ошибок через разъем,
По лампочке, получается все нормально, нет ошибок.
Явно проблема с электрической частью, нет команды на блокировку.
Как Вы проводите диагностику?
Есть ли смысл её проводить, через этот же разъем у Вас?
Жидкость менял примерно 20000км. назад.
machucha
13.10.2017, 10:29
Здравствуйте.Если проблема явно с электрической частью,то почему нет ошибок?Сколько оборотов двигателя при 80 км/ч?
толик 49
13.10.2017, 11:29
Ну может и не электрическая часть виновата, я ж не спец.
Но блокировка пропадает на полностью прогретой коробке.
Пока она не очень горячая, блокировка есть.
Обороты при заблокированном ГТ 2000 при 80км.ч.
Если блокировка слетает, то и 3000 может быть и выше.
machucha
13.10.2017, 11:34
3000 оборотов-может нет 4й передачи,всё-таки?
PS надо прокатиться на машине
толик 49
13.10.2017, 13:40
Я с деревни
Поэтому и пишу,
Машиной пользуюсь три года и алгоритм работы коробки вроде как немного знаю. Это я про то какая передача включена.
Если есть ватсап, киньте номер в личку, я скину видео 40сек.
Но наверно все равно придется к Вам гнать,
Сам ума ей дать никак не могу
machucha
13.10.2017, 14:31
+7(924)853-6O-51
Цитата(machucha @ 11.10.2017, 19:22)

Здравствуйте.Надо прокатиться на ней.На "D" не должно быть эффекта торможения двигателем.
Я тогда батю отправлю к Вам. Как я понял телефон чуть выше написан.
Добрый день!
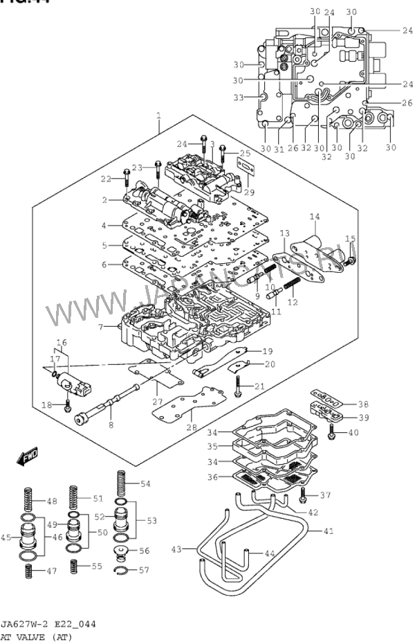
На днях мы с отцом заезжали на витаре xl7, и зашел разговор по поводу фильтра в акпп. Помогите разобраться.
Залез в каталоги japancats.ru.
По vin номеру нашел нашу витару, ей соответствует раздел JA627W-
2 E02,21,22(UK, EC, Germany)
Нажмите для просмотра прикрепленного файлаНачал искать фильтр, но не нашел...
По запросу "фильтр АКПП grand vitara xl-7" гугл выдал номер 26570-54J10. Через exist.ru, нажав "показать на схеме" нашел в каком разделе он находится - раздел [69] AT Клапан (АТ).
Нажмите для просмотра прикрепленного файлаНо выяснилось, что это справедливо для раздела JA627W-
4 E02,22 (UK, Germany).
Нажмите для просмотра прикрепленного файла В соответствующем разделе JA627W-
2 E02,21,22(UK, EC, Germany) фильтра нету...
Нажмите для просмотра прикрепленного файлаВот отсюда вопрос, где на последней схеме фильтра для нашей кпп? А то мы его закажем, а окажется что его там нету...
Благодарю за внимание.
Сейчас залез в раздел AT Ремкомплект клапанов (для моей модификации) и нашел там схему
Нажмите для просмотра прикрепленного файлаПод цифрами 5 есть номер 26583-57B00, exist.ru говорит что это прокладка фильтра АКПП. Получается, что на этой модификации стоит обычная открытая сетка, которую можно помыть, а не менять?
machucha
21.10.2017, 19:36
Axel, Здравствуйте.Не совсем понимаю,зачем такие сложности.Фильтр на вашу кпп стОит у нас 2000р.
Поменяли вчера на ардео масло с фильтром в АКПП, появились пинки с 1й на 2ю. Какая может быть причина ?
machucha
6.12.2017, 10:58
С заменой жидкости в кпп это не связано.
Цитата
С заменой жидкости в кпп это не связано.
То есть я избранный и это не связано с тем, что до этого было жикости больше ?
machucha
6.12.2017, 11:18
нет,не избранный,а вот завышенный уровень мог повлиять на дальнейшую работу кпп
Цитата
Поменяли вчера на ардео масло с фильтром в АКПП, появились пинки с 1й на 2ю. Какая может быть причина ?
прошла неделя акпп разработалась, пинков нет.
Можно вопрос, а какую жидкость вы залили в 3S акпп ?
machucha
13.12.2017, 10:39
а бирку я не наклеил на стойку,где водительская дверь?
PS залито Toyota T-IV
доброго дня. Подскажите Вы карданные валы не балансируете случаем?
machucha
13.12.2017, 21:55
приветствую.мы нет,на 4км гаражи полиции где